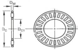
| Thrust Needle Roller and Cage Assemblies | THRUST WASHERS | ||||||||||||||||||||||||||||||||||||||||||
|
|
||||||||||||||||||||||||||||||||||||||||||
| DIT # | INDUSTRY # | BORE | O.D. | WIDTH | LOAD | LOAD | INDUSTRY # | THICKNESS | THICKNESS | THICKNESS | THICKNESS | THICKNESS | THICKNESS | ||||||||||||||||||||||||||||||
| Dc1 | Dc | Dw | STATIC | DYNAMIC | MIN.MAX | MIN.MAX | MIN.MAX | MIN.MAX | MIN.MAX | MIN.MAX | |||||||||||||||||||||||||||||||||
| FNT-619 | FNT-619 | 0.2360 | 0.7480 | 0.0787 | 3120 | 1270 | FTRA-619 | .037-.041 | |||||||||||||||||||||||||||||||||||
| NTA-411 | NTA-411 | 0.2500 | 0.6870 | 0.0781 | 2060 | 925 | TRA-411 | .030-.032 | TRB-411 | .060-.063 | TRC-411 | .092-.095 | |||||||||||||||||||||||||||||||
| NTA-512 | NTA-512 | 0.3120 | 0.7500 | 0.0781 | 2510 | 1050 | TRA-512 | .030-.032 | TRB-512 | .060-.063 | |||||||||||||||||||||||||||||||||
| FNT-821 | FNT-821 | 0.3150 | 0.8270 | 0.0787 | 3810 | 1430 | FTRA-811 | .037-.041 | |||||||||||||||||||||||||||||||||||
| NTA-613 | NTA-613 | 0.3750 | 0.8120 | 0.0781 | 2740 | 1090 | TRA-613 | .030-.032 | TRB-613 | .060-.063 | TRC-613 | .092-.095 | |||||||||||||||||||||||||||||||
| FNT-1024 | FNT-1024 | 0.3940 | 0.9450 | 0.0787 | 5080 | 1720 | FTRA-1024 | .037-.041 | |||||||||||||||||||||||||||||||||||
| FNT-1226 | FNT-1226 | 0.4720 | 1.0240 | 0.0787 | 5860 | 1870 | FTRA-1226 | .037-.041 | |||||||||||||||||||||||||||||||||||
| NTA-815 | NTA-815 | 0.5000 | 0.9370 | 0.0781 | 3660 | 1290 | TRA-815 | .030-.032 | TRB-815 | .060-.063 | TRC-815 | .092-.095 | |||||||||||||||||||||||||||||||
| NTA-916 | NTA-916 | 0.5620 | 1.0000 | 0.0781 | 4110 | 1390 | TRA-916 | .030-.032 | TRB-916 | .060-.063 | TRC-916 | .092-.095 | |||||||||||||||||||||||||||||||
| FNT-1528 | FNT-1528 | 0.5910 | 1.1020 | 0.0787 | 6230 | 1900 | FTRA-1528 | .037-.041 | |||||||||||||||||||||||||||||||||||
| NTA-1018 | NTA-1018 | 0.6250 | 1.1250 | 0.0781 | 5070 | 1590 | TRA-1018 | .030-.032 | TRB-1018 | .060-.063 | TRC-1018 | .092-.095 | TRD-1018 | .123-.126 | TRE-1018 | .154-.157 | |||||||||||||||||||||||||||
| FNT-1730 | FNT-1730 | 0.6690 | 1.1810 | 0.0787 | 6920 | 2010 | FTRA-1730 | .037-.041 | |||||||||||||||||||||||||||||||||||
| NTA-1220 | NTA-1220 | 0.7500 | 1.2500 | 0.0781 | 6090 | 1770 | TRA-1220 | .030-.032 | TRB-1220 | .060-.063 | TRC-1220 | .092-.095 | TRD-1220 | .123-.126 | TRE-1220 | .154-.157 | |||||||||||||||||||||||||||
| FNTA-2035 | FNTA-2035 | 0.7870 | 1.3780 | 0.0787 | 10200 | 2600 | FTRA-2035 | .037-.041 | |||||||||||||||||||||||||||||||||||
| NTA-1423 | NTA-1423 | 0.8750 | 1.4370 | 0.0781 | 9210 | 2350 | TRA-1423 | .030-.032 | TRB-1243 | .060-.063 | TRC-1423 | .092-.095 | TRD-1423 | .123-.126 | |||||||||||||||||||||||||||||
| NTC-1427 | NTC-1427 | 0.8750 | 1.6870 | 0.0781 | 15500 | 3430 | TRB-1427 | .060-.063 | TRC-1427 | .092-.095 | TRD-1427 | .123-.126 | |||||||||||||||||||||||||||||||
| FNT-2542 | FNT-2542 | 0.9840 | 1.6540 | 0.0787 | 15600 | 3470 | FTRA-2542 | .037-.041 | |||||||||||||||||||||||||||||||||||
| NTA-1625 | NTA-1625 | 1.0000 | 1.5620 | 0.0781 | 9870 | 2420 | TRA-1625 | .030-.032 | TRB-1625 | .060-.063 | TRC-1625 | .092-.095 | TRD-1625 | .123-.126 | TRE-1625 | .154-.157 | |||||||||||||||||||||||||||
| NTA-1828 | NTA-1828 | 1.1250 | 1.7500 | 0.0781 | 13700 | 3040 | TRA-1828 | .030-.032 | TRB-1828 | .060-.063 | TRC-1828 | .092-.095 | TRD-1828 | .123-.126 | |||||||||||||||||||||||||||||
| FNTA-3047 | FNTA-3047 | 1.1810 | 1.8500 | 0.0787 | 16900 | 3560 | FTRA-3047 | .037-.041 | |||||||||||||||||||||||||||||||||||
| NTA-2031 | NTA-2031 | 1.2500 | 1.9370 | 0.0781 | 18200 | 3690 | TRA-2031 | .030-.032 | TRB-2031 | .060-.063 | TRC-2031 | .092-.095 | TRD-2031 | .123-.126 | TRF-2031 | .185-.188 | |||||||||||||||||||||||||||
| NTA-2233 | NTA-2233 | 1.3750 | 2.0620 | .0.781 | 20100 | 3910 | TRA-2233 | .030-.032 | TRB-2233 | .060-.063 | TRC-2233 | .092-.095 | TRD-2233 | .123-.126 | TRE-2233 | .154-.157 | TRF-2233 | .185-.188 | |||||||||||||||||||||||||
| FNT-3552 | FNT-3552 | 1.3780 | 2.0470 | 0.0787 | 21600 | 4160 | FTRA-3552 | .037-.041 | |||||||||||||||||||||||||||||||||||
| NTA-2435 | NTA-2435 | 1.5000 | 2.1870 | 0.0781 | 23000 | 4250 | TRA-2435 | .030-.032 | TRB-2435 | .060-.063 | TRC-2435 | .092-.095 | TRD-2435 | .123-.126 | TRF-2435 | .185-.188 | |||||||||||||||||||||||||||
| FNT-4060 | FNT-4060 | 1.5750 | 2.3620 | 0.1181 | 27200 | 6000 | FTRA-4060 | .037-.041 | |||||||||||||||||||||||||||||||||||
| NTA-2840 | NTA-2840 | 1.7500 | 2.5000 | 0.0781 | 26900 | 4640 | TRA-2840 | .030-.032 | TRB-2840 | .060-.063 | TRC-2840 | .092-.095 | TRD-2840 | .123-.126 | TRF-2840 | .185-.188 | |||||||||||||||||||||||||||
| FNT-4565 | FNT-4565 | 1.7720 | 2.5590 | 0.1181 | 35200 | 7150 | FTRA-4565 | .037-.041 | |||||||||||||||||||||||||||||||||||
| FNT-5070 | FNT-5070 | 1.9680 | 2.7560 | 0.1181 | 38000 | 7430 | FTRA-5070 | .037-.041 | |||||||||||||||||||||||||||||||||||
| NTA-3244 | NTA-3244 | 2.0000 | 2.7500 | 0.0781 | 25900 | 4400 | TRA-3244 | .030-.032 | TRB-3244 | .060-.063 | TRC-3244 | .092-.095 | TRD-3244 | .123-.126 | TRF-3244 | .185-.188 | |||||||||||||||||||||||||||
| NTA-3446 | NTA-3446 | 2.1250 | 2.8750 | 0.0781 | 26900 | 4470 | TRA-3446 | .030-.032 | TRB-3446 | .060-.063 | TRC-3446 | .092-.095 | TRD-3446 | .123-.126 | |||||||||||||||||||||||||||||
| FNT-5578 | FNT-5578 | 2.1650 | 3.0710 | 0.1181 | 52900 | 9360 | FTRA-5578 | .037-.041 | |||||||||||||||||||||||||||||||||||
| NTA-3648 | NTA-3648 | 2.2500 | 3.0000 | 0.0781 | 27800 | 4540 | TRA-3648 | .030-.032 | TRB-3648 | .060-.063 | TRC-3648 | .092-.095 | TRD-3648 | .123-.126 | TRF-3648 | .185-.188 | |||||||||||||||||||||||||||
| NTA-3650 | NTA-3650 | 2.2500 | 3.1250 | 0.1250 | 37800 | 7400 | |||||||||||||||||||||||||||||||||||||
| FNTA-6085 | FNTA-6085 | 2.3620 | 3.3460 | 0.1181 | 55000 | 9480 | FTRA-6085 | .037-.041 | |||||||||||||||||||||||||||||||||||
| NTA-4052 | NTA-4052 | 2.5000 | 3.2500 | 0.0781 | 29700 | 4670 | TRA-4052 | .030-.032 | TRB-4052 | .060-.063 | TRC-4052 | 0.092-.095 | TRD-4052 | .123-.126 | |||||||||||||||||||||||||||||
| FNTA-6590 | FNTA-6590 | 2.5590 | 3.5430 | 0.1181 | 59800 | 9930 | FTRA-6590 | .037-.041 | |||||||||||||||||||||||||||||||||||
| NTA-4458 | NTA-4458 | 2.7500 | 3.6250 | 0.1250 | 54500 | 9380 | TRA-4458 | .030-.032 | TRB-4458 | .060-.063 | TRC-4458 | .092-.095 | TRD-4458 | .123-.126 | TRF-4458 | .185-.188 | |||||||||||||||||||||||||||
| FNTA-7095 | FNTA-7095 | 2.7560 | 3.7400 | 1.5750 | 70200 | 12900 | FTRA-7095 | .037-.041 | |||||||||||||||||||||||||||||||||||
| FNT-75100 | FNT-75100 | 2.9530 | 3.9370 | 0.1575 | 78300 | 13600 | FTRA-75100 | .037-.041 | |||||||||||||||||||||||||||||||||||
| NTA-4860 | NTA-4860 | 3.0000 | 3.7500 | 0.0781 | 33600 | 4940 | TRA-4860 | .030-.032 | TRB-4860 | .060-.063 | TRD-4860 | .123-.126 | |||||||||||||||||||||||||||||||
| FNTA-80105 | FNTA-80105 | 3.1250 | 4.1340 | 0.1575 | 79700 | 13900 | FTRA-80105 | .037-.041 | |||||||||||||||||||||||||||||||||||
| NTA-5266 | NTA-5266 | 3.2500 | 4.1250 | 0.1250 | 62900 | 10100 | TRA-5266 | .030-.032 | TRD-5266 | .123-.126 | |||||||||||||||||||||||||||||||||
| FNTA-85110 | FNTA-85110 | 3.3460 | 4.3310 | 0.1575 | 82900 | 14100 | FTRA-85110 | .037-.041 | |||||||||||||||||||||||||||||||||||
| FNTA-90120 | FNTA-90120 | 3.5430 | 4.7240 | 0.1575 | 113000 | 17700 | FTRA-90120 | .037-.041 | |||||||||||||||||||||||||||||||||||
| NTA-6074 | NTA-6074 | 3.7500 | 4.6250 | 0.1250 | 73400 | 11000 | TRA-6074 | .030-.032 | TRB-6074 | .060-.063 | TRC-6074 | .092-.095 | TRD-6074 | .123-.126 | |||||||||||||||||||||||||||||
| FNTA-100135 | FNTA-100135 | 3.9370 | 5.3150 | 0.1575 | 154000 | 21900 | FTRA100135 | .037-.041 | |||||||||||||||||||||||||||||||||||
| NTA-6681 | NTA-6681 | 4.1250 | 5.0620 | 0.1250 | 88900 | 12500 | TRA-6681 | .030-.032 | TRC-6681 | .092-.095 | TRD-6681 | .123-.126 | TRF-6681 | 0.185-.188 | |||||||||||||||||||||||||||||