| SPHERICAL ROLLER BEARINGS METRIC |
|
| DIT # |
INDUSTRY # |
|
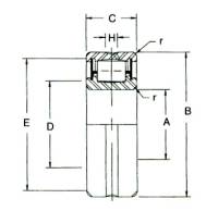
BORE |
O.D. |
WIDTH |
|
LOAD |
WEIGHT |
| |
|
|
A |
B |
C |
|
DYNAMIC |
LBS. |
| |
|
|
|
|
|
|
|
|
| SS-22202 W33 TT |
SB-22202 |
|
15.0000 |
35.0000 |
14.0000 |
|
3900 |
0.15 |
| SS-22203 MW33 TT |
SB-22203 |
|
17.0000 |
40.0000 |
16.0000 |
|
5000 |
0.20 |
| SS-22204 MW33 TT |
SB-22204 |
|
20.0000 |
47.0000 |
18.0000 |
|
7000 |
0.32 |
| SS-22205 MW33 TW |
SB-22205 |
|
25.0000 |
52.0000 |
18.0000 |
|
8100 |
0.40 |
| SS-22206 MW33 TT |
SB-22206 |
|
30.0000 |
62.0000 |
20.0000 |
|
11500 |
0.64 |
| SS-22207 MW33 TT |
SB-22207 |
|
35.0000 |
72.0000 |
23.0000 |
|
15100 |
0.95 |
| |
|
|
|
|
|
|
|
|
| SS-22208 MW33 TT |
SB-22208 |
|
40.0000 |
80.0000 |
23.0000 |
|
16800 |
1.20 |
| SS-22308 MW33 TT |
SB-22308 |
|
40.0000 |
90.0000 |
33.0000 |
|
25600 |
2.30 |
| SS-22209 MW33 TT |
SB-22209 |
|
45.0000 |
85.0000 |
23.0000 |
|
178000 |
1.30 |
| SS-22309 MW33 TT |
SB-22309 |
|
45.0000 |
100.0000 |
36.0000 |
|
30100 |
3.10 |
| SS-22210 MW33 TT |
SB-22210 |
|
50.0000 |
90.0000 |
23.0000 |
|
18700 |
1.40 |
| SS-22310 MW33 TT |
SB-22310 |
|
50.0000 |
110.0000 |
40.0000 |
|
37400 |
4.10 |
| |
|
|
|
|
|
|
|
|
| SS-22211 MW33 TT |
SB-22211 |
|
55.0000 |
100.0000 |
25.0000 |
|
23000 |
1.90 |
| SS-22311 MW33 TT |
SB-22311 |
|
55.0000 |
120.0000 |
43.0000 |
|
41300 |
5.30 |
| SS-22212 MW33 TT |
SB-22212 |
|
60.0000 |
110.0000 |
28.0000 |
|
29200 |
2.60 |
| SS-22312 MW33 TT |
SB-22312 |
|
60.0000 |
130.0000 |
46.0000 |
|
54700 |
6.60 |
| SS-22213 MW33 TT |
SB-22213 |
|
65.0000 |
120.0000 |
31.0000 |
|
35500 |
3.40 |
| SS-22313 MW33 TT |
SB-22313 |
|
65.0000 |
140.0000 |
48.0000 |
|
59700 |
7.80 |
| |
|
|
|
|
|
|
|
|
| SS-22214 MW33 TT |
SB-22214 |
|
70.0000 |
125.0000 |
31.0000 |
|
35900 |
3.60 |
| SS-22314 MW33 TT |
SB-22314 |
|
70.0000 |
150.0000 |
51.0000 |
|
68400 |
9.50 |
| SS-22215 MW33 TT |
SB-22215 |
|
75.0000 |
130.0000 |
31.0000 |
|
37600 |
3.90 |
| SS-22315 MW33 TT |
SB-22315 |
|
75.0000 |
160.0000 |
55.0000 |
|
74800 |
11.90 |
| SS-22216 MW33 TT |
SB-22216 |
|
80.0000 |
140.0000 |
33.0000 |
|
42400 |
4.60 |
| SS-22316 MW33 TT |
SB-22316 |
|
80.0000 |
170.0000 |
58.0000 |
|
77500 |
13.90 |
| |
|
|
|
|
|
|
|
|
| SS-22217 MW33 TT |
SB-22217 |
|
85.0000 |
150.0000 |
36.0000 |
|
50900 |
5.90 |
| SS-22317 MW33 TT |
SB-22317 |
|
85.0000 |
180.0000 |
60.0000 |
|
95100 |
16.20 |
| SS-22218 MW33 TT |
SB-22218 |
|
90.0000 |
160.0000 |
40.0000 |
|
59200 |
7.50 |
| SS-22318 MW33 TT |
SB-22318 |
|
90.0000 |
190.0000 |
64.0000 |
|
98400 |
19.20 |
| SS-22219 MW33 TT |
SB-22219 |
|
95.0000 |
170.0000 |
43.0000 |
|
70900 |
9.20 |
| SS-22319 MW33 TT |
SB-22319 |
|
95.0000 |
200.0000 |
67.0000 |
|
109400 |
22.70 |
| |
|
|
|
|
|
|
|
|
| SS-22220 MW33 TT |
SB-22220 |
|
100.0000 |
180.0000 |
46.0000 |
|
77700 |
11.10 |
| SS-22320 MW33 TT |
SB-22320 |
|
100.0000 |
215.0000 |
73.0000 |
|
128800 |
28.40 |
| SS-22222 MW33 TT |
SB-22222 |
|
110.0000 |
200.0000 |
53.0000 |
|
100000 |
15.90 |
| SS-22224 MW33 TT |
SB-22224 |
|
120.0000 |
215.0000 |
58.0000 |
|
120000 |
19.80 |
| SS-22226 MW33 TT |
SB-22226 |
|
130.0000 |
230.0000 |
64.0000 |
|
132500 |
24.80 |
| SS-22228 MW33 TT |
SB-22228 |
|
140.0000 |
250.0000 |
68.0000 |
|
159100 |
31.30 |
| SS-22230 MW33 TT |
SB-22230 |
|
150.0000 |
270.0000 |
73.0000 |
|
169300 |
39.50 |
| |
| ADD K TO DESIGNATE TAPERED BORE (SS22230 KMW33 TT) |
| |
| AVILABLE IN STRAIGHT OR TAPER BORE |
|
|
|
|
|
|
|
|
|